OEM poliuretán gumiabroncs és kerék nagy teherbírással
1. 200x50 méretű mobil robogókhoz való poliuretán gumiabroncsok termékparamétere (specifikáció)

|
termék név |
Poliuretán gumiabroncsok mobil robogókhoz 200x50 |
||
|
Szín |
Szürke/fekete |
Használat |
Első kerék |
|
Gumiabroncs Anyaga |
PU |
Felni Anyaga |
PA plusz 15 százalék GF |
|
Futófelület |
Gumiabroncs keménysége (HA) |
80±5 |
|
|
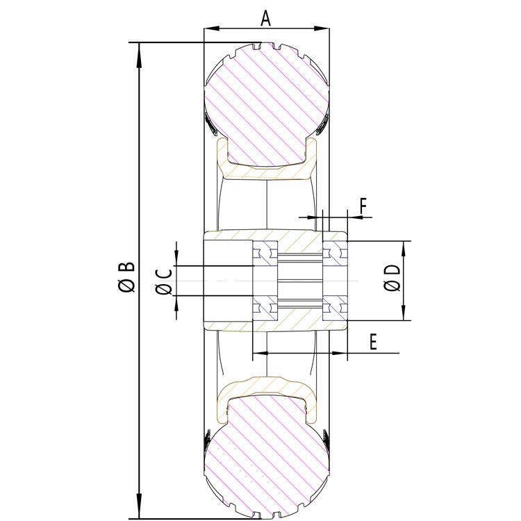
Kerék külső átmérője (mm) (B) |
193 |
PU abroncs tömege (g) |
460±20 |
|
Gumiabroncs szélesség (A) (mm) |
52.5 |
Keréksúly (g) |
760±20 |
|
Tengelyméret (mm) (C) |
12/15 |
Agy szélessége (mm) (E) |
38 |
|
termék név |
Poliuretán gumiabroncsok mobil robogókhoz 200x50 |
||
|
Szín |
Szürke/fekete |
Használat |
Hátsó kerék |
|
Gumiabroncs Anyaga |
PU |
Felni Anyaga |
PA plusz 15 százalék GF |
|
Futófelület |
Borda |
Gumiabroncs keménysége (HA) |
80±5 |
|
Kerék külső átmérője (mm) (B) |
193 |
PU abroncs tömege (g) |
460±20 |
|
Gumiabroncs szélesség (A) (mm) |
52.5 |
Keréksúly (g) |
760±20 |
|
Tengelyméret (mm) (C) |
19-5*5 |
Agy szélessége (mm) (E) |
38 |

2. A PU abroncs tulajdonságai és előnyei
1. A PU abroncsok kiemelkedő tartósságukról, defektállóságukról és hosszú élettartamukról ismertek. Olyan kényelmesek, mint a pneumatikus abroncsok, de nem kell aggódniuk a defektek miatt.
2. A PU gumiabroncsok nem porózus, szilárd poliuretán anyagból készülnek, amely ellenáll az éles tárgyaknak, vágásoknak és ütéseknek. Ez azt jelenti, hogy a PU abroncsok alkalmasak egyenetlen terepen és egyenetlen felületeken is anélkül, hogy elveszítenék alakjukat vagy teljesítményüket.
3. A PU abroncsok kevés karbantartást igényelnek, mivel nem igényelnek felfújást vagy gyakori cserét.
4. A PU gumiabroncsok szabadon zajosak. A hagyományos levegővel töltött abroncsokhoz képest a PU abroncsok gyakorlatilag csendesek használat közben. Ez különösen fontos azoknak a felhasználóknak, akik tolószéküket csendes környezetben, például könyvtárakban vagy kórházakban használják.

3. Poliuretán gumiabroncsok gyártási technológiája: SPIN-öntvény
A centrifugálási öntési eljárást a gumiabroncsokba való habtöltésre használják. Ez a folyamat segít sűrű, szilárd futófelület kialakításában, miközben az oldalfal területe rugalmas marad. A habtöltés egyenletes és pontos eloszlása kiváló ütéselnyelést biztosít. Ez segít a felhasználónak minden alkalommal sima utazást biztosítani.
OEM-poliuretán gumiabroncs és kerék nagy teherbírással
Népszerű tags: oem poliuretán gumiabroncs és kerék nagy teherbírással, Kína, beszállítók, gyártók, gyár, nagykereskedelem, ár, vétel, legjobb, eladó
